Меню
Поиск
Контакты

Москва, ул. Ставропольская, 84, стр. 1

Пн-Чт: с 9:30 до 18:00

Пт: с 9:30 до 17:30

Сравнение
Сравнение
Избранное
Избранное
Корзина
Корзина
На складе

CNT-PROFI

Артикул: 66152400
47.59 $
$
3 663.12 ₽
Экономия -3 663 ₽
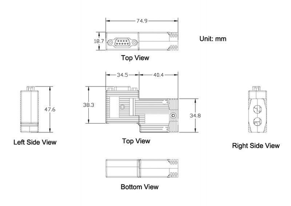
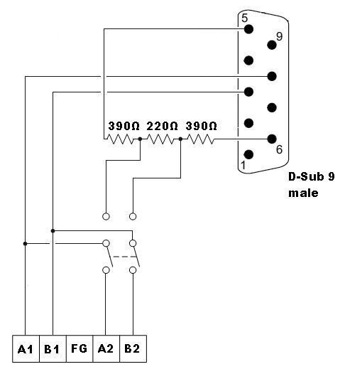
Коннектор (разъем) с клеммной колодкой для подключения к линии PROFIBUS, до 12 В, 48x18x75 мм, пластик
В наличии 15

Порты

Тип коннектораВинтовые клеммы, DB9 Male

Кабели

Рабочее напряжениеup to 12 V
Функция кабеляПередача электричества внутри системы

Угловой разъём CNT-PROFI используется для подключения узла PROFIBUS к линии PROFIBUS и оснащён технологией быстрого подключения, благодаря которой отпадает необходимость зачистки проводников шины. Разъём быстро устанавливается, имеет пластиковый корпус и встроенные терминальные резисторы.

Здесь еще никто не оставлял вопрос или отзыв. Будьте первым!
Аналоги
CA-3720AM
На складе
CA-3720AM
Кабель с разъемами DB-37 Male-Female, 2 м, ПВХ, до 15В
62.79 $
2AB125R 2AB125R
На складе
2AB125R
Резистор выводной для модулей аналогового ввода, DIP, тип Metal Film, 125 Ом, 0.25 Вт, точность 0.1%
4.1 $
CA-SCSI30-H3
Кабель с разъемами SCSI-II 68 pin male-male, 3 м, ПВХ, 15В
113.28 $
CA-4037W
Кабель с разъемами 40-pin flat, D-sub 37-pin Female, 24см, 15В, ПВХ
28.94 $
CA-3710D
Кабель с разъемами DB-37 Male-Male D-sub 1M, ПВХ, до 15В, кабель под углом 90 к плате
56.18 $
CA-4037B
Кабель с разъемами 40-pin flat и D-sub 37-pin Female 20 см, 15В, ПВХ
32.65 $
CNT-CAN
Коннектор (разъем) с клеммной колодкой для подключения к линии CAN, до 12 В, 48x18x75 мм, пластик
65.7 $
3S007
Кабель RG58A/U, 5 м, SMA male в SMA female, ПВХ, 5В
45.41 $
CA-0205
Кабель для WDT-01 & WDT-02, 50см, ПВХ, до 50В
23.66 $
CA-0903
9-и пиновый Female D-sub & RS-232 соединительный кабель, до 50В, ПВХ, 30 см
23.66 $
CA-0909
Коннектор Female DB-9 в Female DB-9 для tDS-712/tGW-712, до 50В
16.75 $
CA-0910-C
Кабель 9-и пиновый Female D-sub в 3-wire CAN bus, 1M, ПВХ, до 50В
26.29 $
CA-0945
Пластиковая крышка для разъема 9-pin 3.81мм RJ-45 (без разъема)
13.58 $
CA-1509
Кабель 15-pin Male в 9-pin Male и 9-pin Female D-sub, кабель к блоку питания для iVIEW-100
18.84 $
CA-20006
Кабель 20-pin плоский, с зажимом 2.0 mm, 6 см, ПВХ, до 50В, 2 штуки
28.49 $
CA-2520D
Кабель 25-pin Male в Male D-sub плоский, 2 м, ПВХ, до 50В
30.91 $
CA-3720D
Кабель DB-37 Male в Male D-sub, 2 М, ПВХ, до 15В, кабель под углом 90 к плате
42.93 $
CA-3730DM-H
Кабель DB-37 Male в Male D-sub для внешних плат, 3 M, Высокоскоростной, ПВХ, до 15В
124.01 $
CA-3750DM
Кабель DB-37 Male в Male D-sub для внешних плат, 5 M, ПВХ, до 15В
135.03 $
CA-3750DM-H
Кабель DB-37 Male в Male D-sub для внешних плат, 5 M, Высокоскоростной, ПВХ, до 15В
144.74 $
Покупают вместе
PROFI-8455
Корзина расширения для I-8K, I-87K модулей, 4 слота расширения, интерфейс PROFIBUS, протокол PROFIBUS DP , +10 ~ 30 VDC
721.72 $
GW-7552-B GW-7552-B
На складе
GW-7552-B
Шлюз PROFIBUS Slave в Modbus RTU/ASCII Master/Slave, 1xRS-232/422/485
540.51 $
PROFI-8155
Корзина расширения для I-8K, I-87K модулей, 1 слот расширения, интерфейс PROFIBUS, протокол PROFIBUS DP , +10 ~ 30 VDC
545.58 $
PROFI-8255
Корзина расширения для I-8K, I-87K модулей, 2 слота расширения, интерфейс PROFIBUS, протокол PROFIBUS DP , +10 ~ 30 VDC
608.12 $
GW-7553-B GW-7553-B
На складе
GW-7553-B
Шлюз PROFIBUS Slave в Modbus TCP/RTU/ASCII Master/Slave, 1xRS-232
541.67 $
GW-7557-B
Шлюз PROFIBUS Slave в HART Master
744.61 $
GW-7553-CPM GW-7553-CPM
GW-7553-CPM
Шлюз PROFIBUS Slave в CANopen Master, пластиковый корпус
563.42 $
GW-7552-M
На складе
GW-7552-M
Шлюз PROFIBUS Slave в Modbus RTU/ASCII Master/Slave, 1xRS-232/422/485, металлический корпус
631.87 $
GW-7553-M
Шлюз PROFIBUS Slave в Modbus TCP/RTU/ASCII Master/Slave, 1xRS-232, металлический корпус
708.27 $
GW-7557-M
Шлюз PROFIBUS Slave в HART Master, металлический корпус
715.76 $
GW-7553-CPM-M GW-7553-CPM-M
GW-7553-CPM-M
Шлюз PROFIBUS Slave в CANopen Master, металлический корпус
578.55 $
Заявка

Я ознакомлен и согласен с условиями оферты и политики конфиденциальности.